Product Series
推薦產品
河南華東起重機械設備公司
服務熱線:400 086 9590
公司:河南華東起重機械設備有限公司
聯系人:賈經理
聯系電話:13903802779
地址:河南新鄉市封丘縣起重機工業園區
當前位置: 起重機 > 起重機文章
JZ系列節能電磁鼓式制動器JZ系列節能電磁鼓式剎車抱閘
時間:2024-01-23來源:起重機制動器廠家瀏覽次數:1
制動器產品介紹
JZ系列節能電磁鼓式制動器型號規格有:JZ-100、JZ-200、JZ-300、JZ-400、JZ-500、JZ-600型等,鼓式制動器廣泛用于起重機械、運輸、冶金、港口、碼頭、建筑機械等機械驅動裝置的減速或制動。根據用戶要求,可生產各種常開、防爆及非標制動器產品。
制動器產品說明
產品名稱:JZ系列節能電磁鼓式制動器
別名別稱:抱閘/制動剎車
型號規格:JZ型
所屬類別:電磁鼓式
產品產地:河南新鄉長垣/焦作武陟
是否現貨:部分現貨
包裝形式:無/包裝另計
供貨范圍:全國
送達方式:自提或快遞托運
是否安裝:安裝另計
售后方式:一年保修
制動器產品圖冊

制動器相關參數
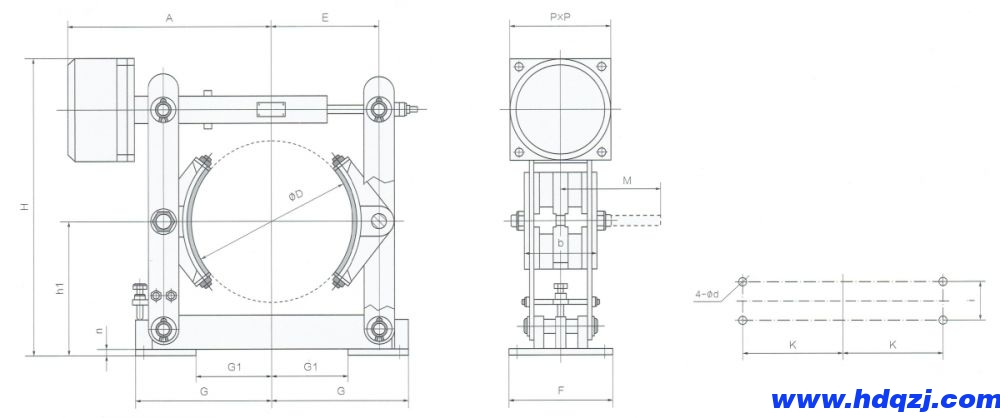
JZ系列節能電磁鼓式制動器外形尺寸圖

JZ系列節能電磁鼓式制動器技術參數與主要尺寸數據表
| 制動器型號 | 制動輪徑(N.m) | 制動力矩(N.m) | 退距(mm) | 重量(kg) | 配用電磁鐵 | 重量(kg) | 總重量(kg) | ||||||
| 型號 | 額定吸力 | 行程(mm) | 操作頻率 | 電流(A) | |||||||||
| 初始 | Z大 | 起動 | 保持 | ||||||||||
| JZ-100 | 100 | 40 | 0.5 | 12.5 | DT-100 | 1000 | 3 | 6 | 1200 | 2 | 0.020 | 3.5 | 16 |
| JZ-200 | 200 | 160 | 0.6 | 19 | DT-200 | 1000 | 3 | 6 | 1200 | 2 | 0.020 | 7 | 26 |
| JZ-300 | 300 | 500 | 0.8 | 52 | DT-315 | 2800 | 3.5 | 7 | 1200 | 3 | 0.025 | 12 | 64 |
| JZ-400 | 400 | 1250 | 0.8 | 100 | DT-400 | 5000 | 4 | 8 | 900 | 3.5 | 0.030 | 17 | 117 |
| JZ-500 | 500 | 2500 | 0.8 | 167 | DT-500 | 5000 | 4 | 8 | 900 | 4.5 | 0.035 | 33 | 200 |
| JZ-600 | 600 | 5000 | 1.0 | 345 | DT-600 | 10000 | 5 | 9 | 600 | 8 | 0.060 | 72 | 417 |
| JZ系列節能電磁鼓式制動器外形尺寸表 | ||||||||||||||||
| 制動器型號 | A | b | D | d | E | F | G | H | h1 | i | K | M | P | n | G1 | |
| JZ-100 | 230 | 70 | 100 | 13 | 165 | 75 | 125 | 300 | 100 | 40 | 110 | 145 | 132 | 6 | 45 | |
| JZ-200 | 290 | 80 | 200 | 17 | 215 | 100 | 208 | 435 | 170 | 60 | 175/190 | 126 | 132 | 8 | 108 | |
| JZ-300 | 385 | 140 | 300 | 22 | 295 | 130 | 290 | 600 | 240 | 80 | 250/270 | 160 | 167 | 10 | 140 | |
| JZ-400 | 505 | 180 | 400 | 22 | 350 | 180 | 350 | 782 | 320 | 130 | 325 | 210 | 243 | 12 | 190 | |
| JZ-500 | 577 | 200 | 500 | 22 | 490 | 200 | 405 | 950 | 400 | 150 | 380 | 250 | 243 | 16 | 225 | |
| JZ-600 | 675 | 240 | 600 | 26 | 560 | 220 | 500 | 1160 | 475 | 170 | 475 | 305 | 271 | 18 | 250 | |
制動器應用范圍
★JZ系列節能鼓式制動器廣泛應用于起重機械設備、建筑機械、交通運輸、礦山、冶金、港口、碼頭等機械驅動裝置的減速或停車制動。
制動器主要特點
★使用安全可靠,動作頻率快,高效節能;
★綠色環保,無石棉襯墊;
★等退距裝置,避免制動襯墊浮貼制動輪;
★制動平穩,無噪音。
制動器符合標準
★制動器安裝尺寸和制動器力矩參數符合JB/ZQ4388-2006標準,技術標準符合JB/T7685-2006。
制動器使用條件
★環境溫度-20℃~40℃;
★380V50Hz電源;
★使用地點的海拔高度不超過2000米;
★周圍工作環境中不得有易燃、易爆及腐蝕性和破壞絕緣的氣體及導電塵埃;
★戶外雨雪侵蝕或有腐蝕性氣體和介質應采用防腐型產品;
★空氣相對濕度不大于90%。
JZ系列節能電磁鼓式制動器生產廠家還為用戶提供YWZB、YWZ3B、YWZ8、YWZ9(YWZ5)、YWZ4B、YW、YW-L、YW-E、TWZ(B)、YWZ13、YWZ2、MW(Z)、ZWZA、ZWZ2、ZWZ3鼓式制動器,廠用防爆、廠用BZES隔爆封閉式制動器、礦用DYW防爆制動器,YPZ2ⅠⅡⅢ、YPZ2ⅣⅤⅥ、DAZ、SE/SH、SB/SBD、YZ、DCPZ、BNM、QP12.7等盤式制動器,YLBZ(液壓輪邊制動器)、YFX(電力液壓防風鐵楔制動器)、YJGQ(液壓夾軌器)等防風制動器,ED1YT1系列電力液壓推動器、ZED交流直流兩用電力液壓推動器、BYT1BEd系列隔爆式電力液壓推動器、EDX系列電力液壓推動器等驅動裝置(液壓罐、制動器電機)、制動瓦塊、制動器架子等成套零部件及相關產品的設計制造(定制)和配件批發零售、安裝修理維修等服務,更多國標/非標/專用工業制動器廠家品牌、技術參數、安裝尺寸圖紙、價格請咨詢客服。
-
23
2024-01
JZ系列節能電磁鼓式制動器JZ系列節能電磁鼓式剎車抱閘
制動器產品介紹 JZ系列節能電磁鼓式制動器型號規格有:JZ-100、JZ-200、JZ-300、JZ-400、JZ-500、JZ-600型等,鼓式制動器廣泛用于起重機械、運輸、冶金、港口、碼頭、建筑機械等機械驅動裝置的減速或制動。根據用戶要求,可生產各種常開、防爆及非標制動器產品。制動器產品說明產品名稱:JZ系列節能電磁鼓式制動器別名別稱:抱閘/制動剎車型號規格:JZ型所屬類別:電磁鼓...詳細




















