Product Series
推薦產品
河南華東起重機械設備公司
服務熱線:400 086 9590
公司:河南華東起重機械設備有限公司
聯系人:賈經理
聯系電話:13903802779
地址:河南新鄉市封丘縣起重機工業園區
當前位置: 起重機 > 起重機文章
32噸電動單梁起重機技術參數
時間:2024-05-25來源:起重機廠家瀏覽次數:1
32噸電動單梁起重機是指額定起重量為32噸的LD型電動單梁橋式起重機。該噸位的單梁起重機在實際生產中應用較少,小編為大家分享下32噸電動單梁起重機技術參數。
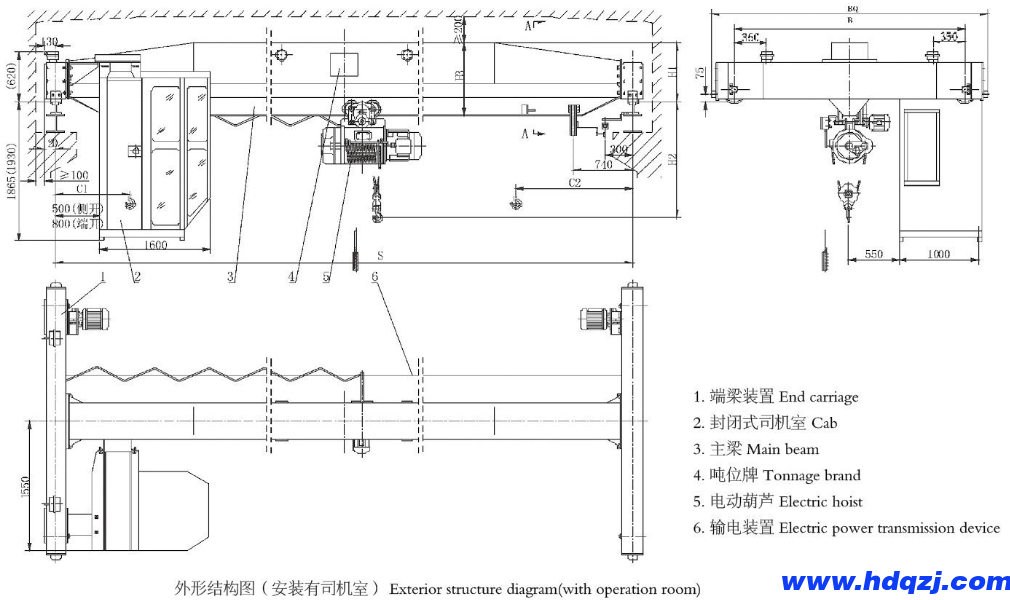
電動單梁起重機結構圖

32噸電動單梁起重機技術參數表
| 起重量t | 跨度m | 基本尺寸 | 起重機總量(t) | z大輪壓(t) | z小輪壓(t) | ||||||
| H1 | H2 | H3 | B | C1 | C2 | C3 | |||||
| 32 | 7.5 | 900 | 2100 | 1300 | 2500 | 1830 | 1230 | 2000 | 5.75/5.30 | 16.65/14.5 | 3.55/3.70 |
| 8 | 5.87/5.40 | 16.70/14.8 | 3.60/3.90 | ||||||||
| 8.5 | 6.15/5.54 | 16.90/15.2 | 3.85/3.95 | ||||||||
| 9 | 6.50/5.65 | 17.20/15.8 | 4.22/4.15 | ||||||||
| 9.5 | 7.35/5.85 | 17.53/15.9 | 4.58/4.30 | ||||||||
| 10 | 7.58/6.20 | 17.90/16.4 | 5.10/4.70 | ||||||||
| 10.5 | 7.90/6.35 | 18.25/16.7 | 5.35/4.90 | ||||||||
| 11 | 8.22/6.68 | 18.45/16.95 | 5.48/5.15 | ||||||||
| 11.5 | 900 | 2100 | 1350 | 3000 | 1830 | 1230 | 2500 | 8.58/6.95 | 18.68/19.36 | 5.66/5.35 | |
| 12 | 8.96/7.28 | 18.92/17.51 | 5.89/5.40 | ||||||||
| 12.5 | 9.47/8.56 | 19.37/17.83 | 5.86/6.30 | ||||||||
| 13 | 9.95/8.85 | 19.63/18.21 | 6.71/6.34 | ||||||||
| 13.5 | 900 | 2100 | 1350 | 3000 | 1830 | 1230 | 2500 | 10.55/9.28 | 19.96/18.58 | 7.15/6.80 | |
| 14 | 10.80/9.67 | 20.23/19.18 | 7.45/6.98 | ||||||||
| 14.5 | 900 | 2100 | 1300 | 2500 | 1830 | 1230 | 2000 | 11.60/9.90 | 20.65/19.40 | 7.95/7.22 | |
| 15 | 11.94/10.35 | 20.97/19.80 | 8.33/7.68 | ||||||||
| 15.5 | 12.35/10.65 | 21.38/20.20 | 8.58/7.956 | ||||||||
| 16 | 12.84/11.05 | 21.60/20.55 | 8.78/8.28 | ||||||||
| 16.5 | 900 | 2100 | 1300 | 3000 | 1830 | 1230 | 2500 | 12.35/11.38 | 22.10/20.80 | 9.11/8.85 | |
| 17 | 12.88/11.70 | 22.55/21.10 | 9.45/9.18 | ||||||||
| 17.5 | 1050 | 2100 | 1450 | 3500 | 1730 | 1230 | 3000 | 13.55/12.10 | 22.90/21.40 | 9.85/9.45 | |
| 18 | 13.96/12.45 | 23.32/21.90 | 10.31/9.80 | ||||||||
| 18.5 | 14.45/12.75 | 23.45/22.32 | 10.76/10.22 | ||||||||
| 19 | 14.83/13.12 | 23.86/22.75 | 11.13/10.65 | ||||||||
| 19.5 | 15.32/13.45 | 24.27/23.18 | 11.62/11.14 | ||||||||
| 20 | 1100 | 2100 | 1500 | 3500 | 1830 | 1230 | 3200 | 15.77/13.76 | 24.77/23.62 | 11.97/11.52 | |
| 20.5 | 16.15/14.15 | 25.28/24.11 | 12.44/12.05 | ||||||||
| 21 | 16.40/14.50 | 25.71/24.63 | 12.73/12.43 | ||||||||
| 21.5 | 16.98/14.85 | 26.24/24.85 | 13.55/13.06 | ||||||||
| 22 | 17.40/15.23 | 26.68/25.22 | 13.81/13.42 | ||||||||
| 22.5 | 17.85/15.68 | 26.93/25.67 | 14.27/13.86 | ||||||||

推薦文章:




















