Product Series
推薦產品
河南華東起重機械設備公司
服務熱線:400 086 9590
公司:河南華東起重機械設備有限公司
聯系人:賈經理
聯系電話:13903802779
地址:河南新鄉市封丘縣起重機工業園區
當前位置: 起重機 > 起重機文章
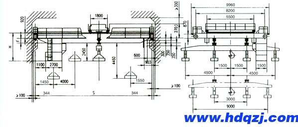
QL型10+10噸電磁掛梁起重機技術參數表
時間:2024-04-16來源:起重機廠家瀏覽次數:1
QL型10+10噸電磁掛梁起重機方案圖

QL型10+10噸電磁掛梁起重機技術規格參數:
| 額定起重量 | t | 10+10 | |||||||
| 跨度 | m | 13.5 | 16.5 | 19.5 | 22.5 | 25.5 | 28.5 | ||
| 起升高度 | 16 | ||||||||
| 工作制度 | A6 | ||||||||
| 速度 | 起升 | m/min | 12.4 | ||||||
| 小車運行 | 39.6 | ||||||||
| 大車運行 | 103 | ||||||||
| 電動機 | 起升 | 型號 | YZR280M-8/55 | ||||||
| 小車運行 | YZR160M2-6/7.5 | ||||||||
| 大車運行 | YZR180L-6/15x2 | ||||||||
| 自重 | 小車 | t | 12.4 | ||||||
| 總重 | 37.8 | 41.7 | 46.7 | 50.3 | 55.4 | 58.1 | |||
| 輪壓 | 22.5 | 23.5 | 25 | 26 | 27.5 | 28.5 | |||
| 電磁盤 | 型號 | kg | MW1-6 | MW1-16 | |||||
| 允許吸重 | 5540 | 8330 | |||||||
| 自重 | 460 | 1670 | |||||||
| 薦用軌道 | QU80 | QU100 | |||||||
| 電源 | 三相交流 380V 50HZ | ||||||||
| F | 94 | 244 | 394 | 544 | 694 | 844 | |||
| H | 3182 | 3332 | 3482 | 3632 | 3622 | 3772 | |||
推薦文章:




















