Product Series
推薦產品
河南華東起重機械設備公司
服務熱線:400 086 9590
公司:河南華東起重機械設備有限公司
聯系人:賈經理
聯系電話:13903802779
地址:河南新鄉市封丘縣起重機工業園區
當前位置: 起重機 > 起重機文章
QD型125/32噸電動雙梁橋式起重機技術參數表
時間:2024-04-15來源:起重機廠家瀏覽次數:1
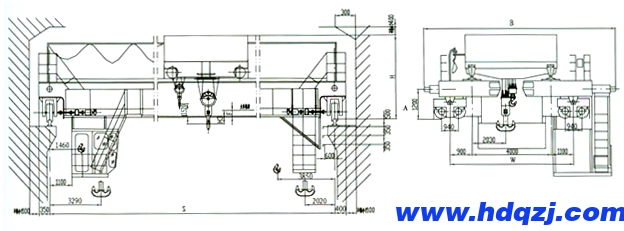
QD型125/32噸電動雙梁橋方案圖

QD型125/32噸電動雙梁橋式起重機技術規格參數:
工作級別 | A5 | |||||||||
跨度 | m | 13 | 16 | 19 | 22 | 25 | 28 | 31 | ||
起重機重量 | t | 84 | 94 | 100 | 107 | 115 | 123 | 141 | ||
輪壓 | kN | 415 | 445 | 455 | 475 | 490 | 510 | 535 | ||
起升高度 | m | 18/20 | ||||||||
速度 | 起重機運行 | m/min | 45 | |||||||
小車運行 | 32.9 | |||||||||
主起升 | 4.5 | |||||||||
副起升 | 9.3 | |||||||||
電動機 | 起重機運行 | 2-YZR25CMi-8/35kw | ||||||||
小車運行 | YZR200L-6/26kw | |||||||||
起升 | YZR355L1-10/132kw | |||||||||
副起升 | YZR280S-8/51kw | |||||||||
主要尺寸 | A | mm | 1350 | |||||||
B | 9450 | |||||||||
H | 4244 | 4246 | 4248 | 4250 | 4252 | 4254 | 4256 | |||
H3 | 1803 | 1803 | 1803 | 1803 | 1803 | 1803 | 1803 | |||
F | 70 | 500 | 520 | 540 | 560 | 580 | 605 | |||
W | 6400 | 7620 | ||||||||
薦用軌道 | QU80 QU100 | |||||||||




















